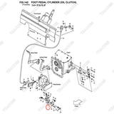
(Seri 1241-Up) Tổng côn trên 224W5-30202

Giá bán: Vui lòng liên hệ
  • Thương hiệu: TCM
  • Xuất xứ: Nhật Bản
  • Quy cách: Mới 100%
  • Bảo hành: 12 tháng

239A5-40501 27045-40302 01184-10030 01400-00010 02262-08025 02000-00008 02200-02020 216G5-42011 22N45-32151 22N45-32161 25595-42491 25785-43091 224G5-42061 01183-06010 22N55-42141 01185-08016 214A5-32312 22N45-32201 01100-10025 01402-00010 04913-11100 224W5-30202 27045-40302 01184-10030 01400-00010 02262-08025 02000-00008 02200-02020 522A2-10401 22P45-30151 01100-10025 01402-00010 04913-11100 02262-10030 02000-00010 02200-32020 01103-10075 01103-10050 01103-10035 01103-10025 01184-10025 02010-00010 04150-20202 NO PART NO. 03320-00110 04134-20202 NO PART NO. 03320-00110 224W7-60311 NO PART NO. 89140-00006 209P7-62151 22P45-42201 01184-10055 23775-42101 272E5-42402 25595-42491 224G5-42061 01183-06010 22N55-42141 01185-08016

THACOES KÍNH CHÚC QUÝ KHÁCH AN KHANG - THỊNH VƯỢNG!

Xe Nâng Thacoes nhập khẩu trực tiếp Xe nâng và Phụ tùng chất lượng cao của các hãng Komatsu, Toyota, Mitsubishi, Tcm, Nichiyu từ Nhật Bản. 

* Hàng hóa đầy đủ giấy tờ nhập khẩu, khai báo hải quan, hóa đơn VAT

* Chính sách bảo hành rõ ràng, nhiều ưu đãi

* Chất lượng xe và phụ tùng tốt, dùng bền với giá cạnh tranh

>>> Bấm xem thêm Xe Nâng Nhật Bãi đời cao

>>> Bấm xem thêm Phụ Tùng Xe Nâng chính hãng

>>> Bấm xem thêm Bảng Giá Thuê Xe Nâng

>>> Bấm xem thêm Bảng Giá Bình Điện Xe Nâng

Hãy để chúng tôi có cơ hội phục vụ bạn!

XE NÂNG THACOES Trân Trọng cảm ơn!

popup

Số lượng:

Tổng tiền: