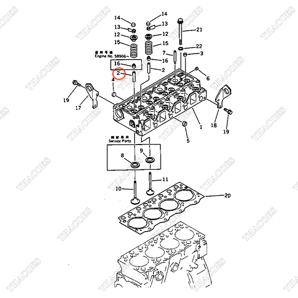
Dẫn hướng xupap 6204-19-1310 (8 cái)

Giá bán: Vui lòng liên hệ
  • Thương hiệu: KOMATSU
  • Xuất xứ: Nhật Bản
  • Quy cách: Mới 100%
  • Bảo hành: 12 tháng

THACOES KÍNH CHÚC QUÝ KHÁCH AN KHANG - THỊNH VƯỢNG!

Xe Nâng Thacoes nhập khẩu trực tiếp Xe nâng và Phụ tùng chất lượng cao của các hãng Komatsu, Toyota, Mitsubishi, Tcm, Nichiyu từ Nhật Bản. 

* Hàng hóa đầy đủ giấy tờ nhập khẩu, khai báo hải quan, hóa đơn VAT

* Chính sách bảo hành rõ ràng, nhiều ưu đãi

* Chất lượng xe và phụ tùng tốt, dùng bền với giá cạnh tranh

>>> Bấm xem thêm Xe Nâng Nhật Bãi đời cao

>>> Bấm xem thêm Phụ Tùng Xe Nâng chính hãng

>>> Bấm xem thêm Bảng Giá Thuê Xe Nâng

>>> Bấm xem thêm Bảng Giá Bình Điện Xe Nâng

Hãy để chúng tôi có cơ hội phục vụ bạn!

XE NÂNG THACOES Trân Trọng cảm ơn!

popup

Số lượng:

Tổng tiền: